Product Summary
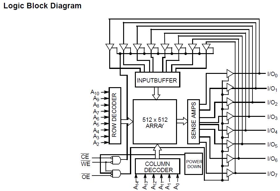
The CY62256LL-70SNC is a high-performance CMOS static RAM, which organized as 32K words by 8 bits. Easy memory expansion is provided by an active LOW chip enable (CE) and active LOW output enable (OE) and three-state drivers. The CY62256LL-70SNC has an automatic power-down feature, reducing the power consumption by 99.9% when deselected.
Parametrics
CY62256LL-70SNC absolute maximum ratings: (1)Storage Temperature: –65℃ to +150℃; (2)Ambient Temperature with Power Applied: –55℃ to +125℃; (3)Supply Voltage to Ground Potential (Pin 28 to Pin 14): –0.5V to +7.0V; (4)DC Voltage Applied to Outputs in High-Z State: –0.5V to VCC + 0.5V; (5)DC Input Voltage: –0.5V to VCC + 0.5V; (6)Output Current into Outputs (LOW): 20 mA; (7)Static Discharge Voltage > 2001V; (8)Latch-up Current > 200 mA.
Features
CY62256LL-70SNC features: (1)Temperature Ranges: Commercial: 0℃ to 70℃, Industrial: -40℃ to 85℃, Automotive: -40℃ to 125℃; (2)High speed: 55 ns and 70 ns; (3)Voltage range: 4.5V-5.5V operation; (4)Low active power (70 ns, LL version): 275 mW (max.); (5)Low standby power (70 ns, LL version): 28 μW (max.); (6)Easy memory expansion with CE and OE features; (7)TTL-compatible inputs and outputs; (8)Automatic power-down when deselected; (9)CMOS for optimum speed/power.
Diagrams

| Image | Part No | Mfg | Description | ![]() |
Pricing (USD) |
Quantity | ||||
|---|---|---|---|---|---|---|---|---|---|---|
![]() |
![]() CY62256LL-70SNC |
![]() |
![]() IC SRAM 256KBIT 70NS 28SOIC |
![]() Data Sheet |
![]() Negotiable |
|
||||
| Image | Part No | Mfg | Description | ![]() |
Pricing (USD) |
Quantity | ||||
![]() |
![]() CY62126BV |
![]() Other |
![]() |
![]() Data Sheet |
![]() Negotiable |
|
||||
![]() |
![]() CY62126DV30 |
![]() Other |
![]() |
![]() Data Sheet |
![]() Negotiable |
|
||||
![]() |
![]() CY62126DV30L-55BVXE |
![]() Cypress Semiconductor |
![]() SRAM SLO 3.0V SUPER LO PWR 64K X 16 SRAM |
![]() Data Sheet |
![]() Negotiable |
|
||||
![]() |
![]() CY62126DV30L-55BVXET |
![]() Cypress Semiconductor |
![]() SRAM SLO 3.0V SUPER LO PWR 64K X 16 SRAM |
![]() Data Sheet |
![]() Negotiable |
|
||||
![]() |
![]() CY62126DV30L-55ZSXE |
![]() Cypress Semiconductor |
![]() SRAM SLO 3.0V SUPER LO PWR 64K X 16 SRAM |
![]() Data Sheet |
![]() Negotiable |
|
||||
![]() |
![]() CY62126DV30L-55ZSXET |
![]() Cypress Semiconductor |
![]() SRAM SLO 3.0V SUPER LO PWR 64K X 16 SRAM |
![]() Data Sheet |
![]() Negotiable |
|
||||
(China (Mainland))












